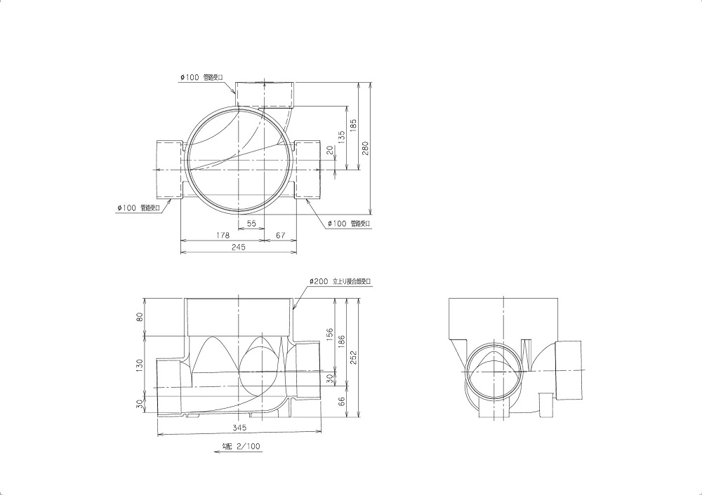
小口径マス 90度合流段差付 100-200
おすすめ商品
希望小売価格:¥ 6,588 税込
¥ 2,965 税込
商品コード: 11277 ~ 11278
●前澤化成工業
●M-90YS 100-200
●管路タイプ:主管100 枝管100 蓋径200
●日本下水道協会規格適合品
ご注意
・複数の商品をご注文の場合、到着日時指定は最も納期の長い商品に合わせた日時となります。
・発送は土日祝日を除いた平日のみとなります。
ご注文方法の詳細はこちらのお買い物ガイドをご覧ください。


