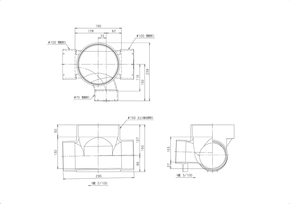
小口径マス 90Y合流 100×75-150
おすすめ商品
希望小売価格:¥ 4,644 税込
¥ 1,440 税込
商品コード: 11244 ~ 11245
●前澤化成工業
●M-90Y 100×75-150
●管路タイプ:主管100 枝管75 蓋径150
●日本下水道協会規格適合品
ご注意
・複数の商品をご注文の場合、到着日時指定は最も納期の長い商品に合わせた日時となります。
・発送は土日祝日を除いた平日のみとなります。
ご注文方法の詳細はこちらのお買い物ガイドをご覧ください。


