カテゴリー
  • 住宅設備用配管資材 >
  • 排水用配管資材 >
  • 上下水道用資材 >
  • 一般配管資材 >
  • 特殊配管資材 >
  • 空調機器・ポンプ・衛生器具 >
  • 水栓・便器・流し・浴室用部材 >
  • 住宅設備機器・宅配ボックス・庭園商材 >
  • 機械・電動工具 >
  • 数量限定 >
  • アウトレット品 >
  • 米・穀物 >
  • 10,800円以上の購入で
    配送料無料

    単水栓取付アダプター

    希望小売価格:¥ 2,592 税込

    ¥ 1,814 税込

    商品コード: 720401

    数量

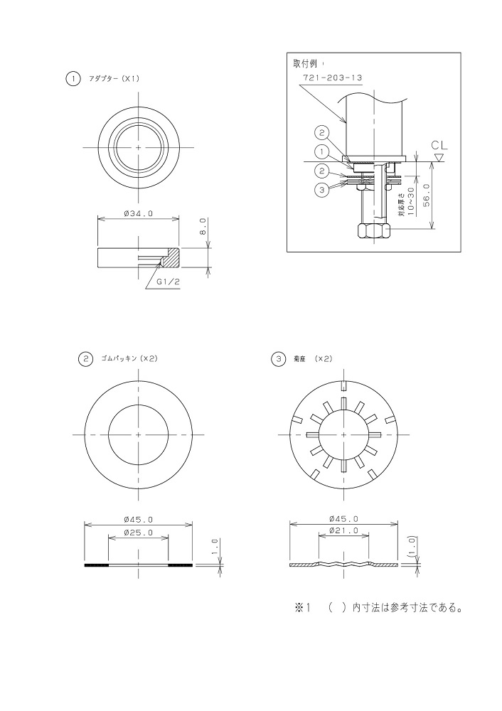
    ●カクダイ:107-812
    ●穴径35mmに単水栓を取り付けるためのアダプターです。
    (水栓台座外径48mm以上用)
    水栓の高さは変わりません。
    ●材質:黄銅・NBR・鋼