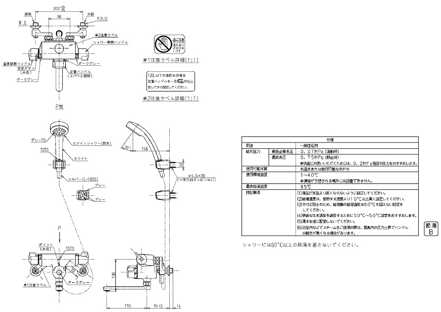
TOTO 定量止水式壁付サーモスタット水栓(エアイン) TMF47E1R
希望小売価格:¥ 84,348 税込
¥ 54,832 税込
商品コード: 550135
●TOTO ファミリー、ニューファミリーシリーズ
●TMF47E1R
●湯量をダイヤルセットするだけで、設定量の湯を出し、自動で止まります。
●初期設定は、浴槽サイズに合わせて10L単位で最大吐水量300Lまで設定できます。
●逆流防止弁付き
●寒冷地用水抜栓
ご注意
・複数の商品をご注文の場合、到着日時指定は最も納期の長い商品に合わせた日時となります。
・発送は土日祝日を除いた平日のみとなります。
ご注文方法の詳細はこちらのお買い物ガイドをご覧ください。



