カテゴリー
  • 住宅設備用配管資材 >
  • 排水用配管資材 >
  • 上下水道用資材 >
  • 一般配管資材 >
  • 特殊配管資材 >
  • 空調機器・ポンプ・衛生器具 >
  • 水栓・便器・流し・浴室用部材 >
  • 住宅設備機器・宅配ボックス・庭園商材 >
  • 機械・電動工具 >
  • 数量限定 >
  • アウトレット品 >
  • 米・穀物 >
  • 10,800円以上の購入で
    配送料無料

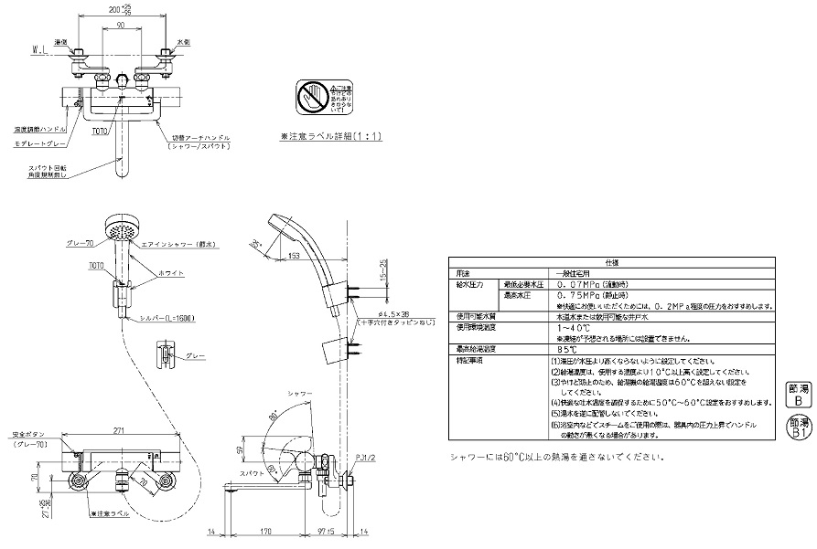
    TOTO 壁付サーモスタット混合水栓(エアイン) TMGG40QE

    希望小売価格:¥ 53,028 税込

    ¥ 34,474 税込

    商品コード: 550138

    数量

    ●TOTO GGシリーズ
    ●TMGG40QE
    ●寒冷地用水抜栓
    ●逆流防止弁付き

    ご注意
    ・複数の商品をご注文の場合、到着日時指定は最も納期の長い商品に合わせた日時となります。
    ・発送は土日祝日を除いた平日のみとなります。

    ご注文方法の詳細はこちらのお買い物ガイドをご覧ください。