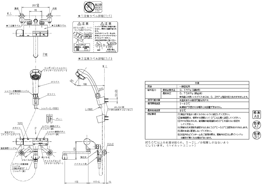
TOTO 壁付サーモスタット混合水栓(タッチ、ワンダービート、調圧弁、流調弁、ハイカット) TMN40TJ
希望小売価格:¥ 80,460 税込
¥ 52,304 税込
商品コード: 540593
●TOTO ニューウェーブ
●TMN40TJ
●寒冷地用水抜栓
●逆流防止弁付き
●給水圧が低い場合は水勢が十分に得られない場合があります。0.07MPa以上(タッチスイッチ水栓とワンダービートの組み合わせの場合は0.1MPa以上)の給水圧でご使用ください。
●ハイカットユニット付きの水栓の場合、シャワーの高温(約50℃以上)のお湯が絞られるため、1~2L/分程度しか出ません。
ご注意
・複数の商品をご注文の場合、到着日時指定は最も納期の長い商品に合わせた日時となります。
・発送は土日祝日を除いた平日のみとなります。
ご注文方法の詳細はこちらのお買い物ガイドをご覧ください。




