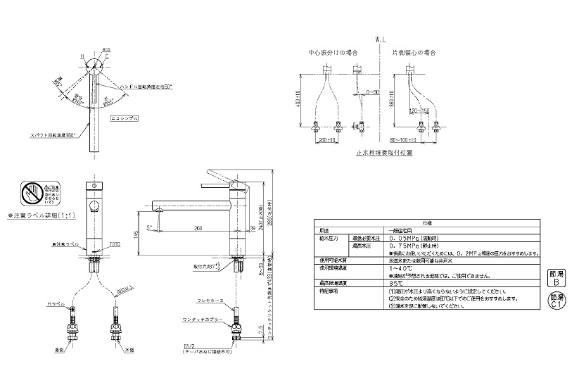
TOTO 台付シングル混合水栓(エコシングル) TKC31E
希望小売価格:¥ 58,860 税込
¥ 38,264 税込
商品コード: 550086
●TOTO コンテンポラリシリーズ
●TKC31E
●湯水の使い分けができるシングル混合栓
●ソフト(泡沫)吐水
●水栓取付穴径:φ37
●給水管ワンタッチ接続
●施工時間を短縮するフレキホース採用
●逆流防止弁付き
ご注意
・複数の商品をご注文の場合、到着日時指定は最も納期の長い商品に合わせた日時となります。
・発送は土日祝日を除いた平日のみとなります。
ご注文方法の詳細はこちらのお買い物ガイドをご覧ください。


