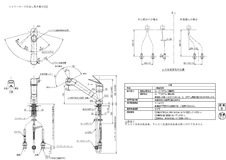
TOTO 台付シングル混合水栓(エコシングル、浄水カートリッジ内蔵、ハンドシャワー) TKGG38E
希望小売価格:¥ 62,964 税込
¥ 40,932 税込
商品コード: 550122
●TOTO GGシリーズ
●TKGG38E
●小型浄水カートリッジを水栓本体に内蔵
・カートリッジは鋼管も簡単です
●ホースを引き出し、水を散らさずシンクの隅々まで効果的に洗い流せます。ホースを引き出すことで、体に負担を掛けず、大物洗いもラクにできます。
●湯水の使い分けができるシングル混合栓
●浄水・整流・シャワー切替
●ホース付き:550mm
●水栓取付穴径:φ37
●シンクの下に潜らず施工可能な上面施工
●給水管ワンタッチ接続
●施工時間を短縮するフレキホース採用
●逆流防止弁付き
ご注意
・複数の商品をご注文の場合、到着日時指定は最も納期の長い商品に合わせた日時となります。
・発送は土日祝日を除いた平日のみとなります。
ご注文方法の詳細はこちらのお買い物ガイドをご覧ください。








